*[Mano의 컴퓨터 시스템 구조 3판]의 공부할겸 요약한 내용입니다.
집적 회로(IC: Integrated Circuits)
디지털 게이트를 구성하는 전자 부품들을 포함하는 실리콘 반도체(chip)이다. *(chip을 die라고 하기도 함)
산업용 IC의 운용 온도는 대체로 75도 이하이다. - 고장이 일어난다면 대다수가 열로 인한 고장임
Speed-step 기법
- CPU 작동으로 인한 열 발생량이 한계치를 넘으면 core voltage를 감소시켜 CPU 작동 속도를 저하시킴으로서 열 발생을 감소 시킨 후 온도가 떨어지면 CPU 작동 속도를 복원시키는 S/W 기법
집적 회로 기술이 발전해 하나의 칩 안에 담을 수 있는 게이트의 수가 중가하여 그 정도에 따라 소규모, 중규모, 대규모 집적 장치라는 용어를 사용한다.
- 소규모 집적(SSI)장치: 10개 이하의 독립적인 게이트가 하나의 칩에 들어있고 게이트의 입출력이 곧바로 외부 핀으로 연결된다.
- 중규모 집적(MSI)장치: 10에서 200개까지 게이트를 집적하고있으며, 이것들은 디코더나 가신가, 그리고 레지스터 같은 기본적인 디지털 장치를 구현하고 있다.
- 대규모 집적(LSI)장치: 200에서 천 개까지의 게이트를 집적하고서 프로세서나 메모리 칩 같은 디지털 시스템을 형성
- 초대규모 집적(VLSI)장치: 수천 개의 게이트를 하나의 칩에 집적하여 대형 메모리나 복잡한 마이크로컴퓨터 칩을 형성
디지털 논리군(Digital logic family)
디지털 집적 회로는 기능에 따라 구분되기도 하지만, 그것을 구현하는데 적용된 기술에 따라 디지털 논리군으로 분류됨
- TTL(트랜지스터-트랜지스터 논리): DTL(다이오드-트랜지스터 논리)에서 성능 향상을 위해 다이오드를 트랜지스터로 바꾼 것이다.
- ECL(에미터-결합 논리): 슈퍼컴퓨터나 신호 처리기 같은 고속회로에 사용된다.
- MOS(금속-산화물 반도체): 단상 트렌지스터가 사용, NMOS가 대부분이다.
- CMOS(상보 금속-산화물 반도체): NMOS와 PMOS를 연결하여 만들어 회로의 밀도가 높고 제조 공정이 단순하며, 전력소비가 적어 경제적이다.
*CMOS의 특성
1) P(Positive)MOS와 N(Negative)MOS를 함께 사용
2) 고밀도 집적회로 제작 기술
3) IC의 열 발생은 동작속도나 공급전압^2에 비례한다.4) 저 전압 소비가 큰 장점임. 따라서 회로 선폭의 감소가 가능하고, 열 발생이 줄어든다. 그 결과 크기의 소형화가 가능하고 신뢰성이 증대된다. 또한 배터리의 사용시간이 연장되어 경제성이 증대된다.5) CMOS 기술을 이용하여 VLSI(고집적)회로를 제작한다.
디코더(Decoder)
n개의 이진 정보를 최대 2^n개의 output으로 변형하여 출력하는 조합회로이다.
n개의 입력과 m(m <= 2^n)개의 출력을 가지는 디코더를 'n대m라인 디코더' 또는 'n x m 디코더'라고 한다.

*인에이블 입력(E)이 0일 때 모든 출력은 입력값에 관계없이 항상 0인 값을 가지며, E가 1일 때 정상적으로 작동한다. 각 출력은 다른 일곱 개의 입력 조합에 대해서는 0이고, 오직 하나의 조합에 대해서만 1인 출력값을 가진다.
NAND 게이트 디코더
AND 게이트 대신 NAND 게이트로 구성되어 있다.
보수화된 형태로 출력하며 경제적이다.

*진리표에서와 같이 한 순간에 하나의 출력만 0이고 나머지는 모두 1이다. 인에이블 입력이 1인 경우에는 입력값에 관계없이 모든 출력은 1이 된다.
디코더 확장(Decoder Expansion)
3 x 8 디코더는 두개의 2 x 4 디코더로 구성이 가능하다.
인코더(Encoder)
디코더와 반대되는 동작을 수행하는 디지털 회로
2^n개 입력값에 대해 n개의 이진 코드를 출력한다.

멀티플렉서(MUX: Multiplexers)
n개의 선택 입력에 따라 2^n개의 출력을 하나의 출력에 선택적으로 연결시켜 주는 조합 회로이다.
디멀티플렉서(DEMUX: DeMultiplexers)
MUX의 반대 동작
하나의 입력을 n개의 선택 입력에 따라 2^n개의 출력으로 분배한다.
사용 예) PC에서 정보를 저장할 저장 매체 선택 시


레지스터(Registers)
주로 CPU 내에 존재하는 소규모의 접근 속도가 빠른 저장 매체
n비트의 레지스터는 n비트의 이진 정보를 저장하기 위한 n개의 플립플롭과 데이터 처리를 위한 조합 회로로 구성
새로운 이진 정보를 공통 클럭 신호에 의해 레지스터의 모든 비트가 동시에 로드된다.

병렬 로드를 가진 레지스터
- 클럭 펄스의 작용 여부를 제어
- 로드 입력 0 : 입력 차단되고 자신의 출력이 입력으로 연결되어 유지
- 로드 입력 1 : 네 개의 입력이 레지스터로 전달
- 클럭의 버퍼(Buffer) : 클럭 발생기로부터 입력된 신호의 전압을 증폭시키는 역할
시프트 레지스터(Shift Registers)
정보를 단방향이나 양방향으로 이동할 수 있는 레지스터
시프트 레지스터의 각 플립플롭들은 각각의 입력과 출력이 연쇄적으로 연결되어 있고, 공통의 클럭 펄스가 다음 상태로의 이동을 제어한다.

*위의 시프트 레지스터는 가장 단순한 형태의 것으로 직렬 입력은 시프트 될 경우 맨 왼쪽 플립플롭에 들어갈 값을 결정하며, 직렬 출력은 맨 오른쪽 플립플롭의 출력이다.
이진 카운터(Binary Counter)
카운터
- 입력 펄스에 따라 미리 정해진 순서대로 상태 변이가 진행되는 레지스터
이진수의 순서를 따르는 카운터를 이진 카운터라 한다.
n개의 플립플롭을 가진 n비트 이진 카운터는 0에서 (2^n-1)까지 카운트한다.
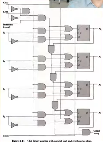
병렬로드를 가진 이진 카운터
- 카운터는 이진 숫자가 하나 증가하면 각 비트는 0>1(1>0) 또는 0>0(1>1)로 된다. 이런 상태를 유발할 수 있는 플립플롭은 T나 JK 플립플롭이며 이런 특성이 이진 카운터에 이용된다.

'컴퓨터 구조' 카테고리의 다른 글
| [컴퓨터 구조] 소수 표현과 Error 검출 기법 (0) | 2022.04.13 |
|---|---|
| [컴퓨터 구조] Memory와 숫자 표현 (0) | 2022.04.11 |
| [컴퓨터 구조] Circuits 특성과 Flip-Flop (0) | 2022.04.06 |
| [컴퓨터 구조] Karnaugh-map (0) | 2022.04.05 |
| [컴퓨터 구조] 디지털 시스템과 부울 대수 (0) | 2022.03.12 |